ðÒÅÄÙÄÕÝÁÑ
îÁÞÁÌÏ ÓÁÊÔÁ
ðÅÒ×ÁÑ ÓÔÒÁÎÉÃÁ
óÌÅÄÕÀÝÁÑ

óÐÒÁ×ÏÞÎÉË ÐÏ  ÂÉÐÏÌÑÒÎÙÍ  ÔÒÁÎÚÉÓÔÏÒÁÍ

ãÏËÏÌÅ×ËÉ 1 - 40


1ô101, 1ô102

ëô104, ëô208, ëô301,  ëô302, çô305, çô309

çô108, çô115, çô124

çô109, çô310

1ô116, çô122, çô125

ëô117

ëô118

ëô119

ëô120, 2ô126-1, ëô206, ëô307, ëô354, ëô380, ëô3134-1

ëô127-1, ëô331-1, ëô332-1

ëô201, ëô203, ëô313, ëô316, ëô326, ëô327, ëô340, ëô342, ëô343, ëô347, ëô349, ëô351, ëô352, ëô363, ëô3102, ëô3108, ëô3117, ëô3142, ëô3175, ëô616

ëô202, ëô211-1, 2ô317-1, ëô318

2ô205

ëô207, ëô210, ëô333, ëô348, ëô359, ëô379

ëô201-í, ëô209, ëô316-í, ëô337, ëô349-í, ëô345, ëô350, ëô351, ëô352, ëô363-í, ëô368-í, ëô375, ëô399-í, ëô3102-í, ëô3107, ëô3117-1, ëô3128-1, ëô502, ëô503, ëô632-1, ëô638, ëô645, ëô660, ëô668, ëô680, ëô681, ëô685, ëô686

2ô214-9, 2ô215-9, 2ô218-9, 2ô368-9, 2ô370-9, 2ô385-9, ëô396-9, ëô3106-9, ëô3126-9, ëô3129-9, ëô3130-9, ëô3153-9, ëô3169-9

ëôó303-2

ëô208, ëô501, ëô3152

çô308, çô320, çô321, ëô321

çô311, çô313, çô338

ëô312

ëô314-2, ëô369, 2ô377-2, 2ô378-2, ëô384-2, ëô388-2, ëô389-2, ëô392-2, ëô397-2, ëô3150-2, ëô624-2, ëô625-2, 2ô629-2

ëô315, ëô361, ëô3122

çô322, çô328, çô346, ëô368, çô376, çô386, ëô399, ëô3127

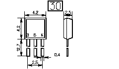
ëô324, ëô360, ëô366, ëô3104, 2ô3135-1

çô329, çô330, çô341, çô362

çô335, çô402, çô404, ëô601, ëô603, ëô605, ëô608, ëô620

ëô336

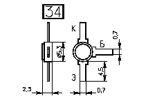
ëô337

ëô209, ëô345, ëô351, ëô352

ëô355

ëô357, ëô358, ëô373

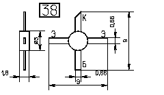
ëô364, ëôó394, ëôó395

ëô371, ëô382, ëô3120

ëô372

1ô374-6, 2ô3114-6, 2ô3121-6

2ô381-1

çô383, çô387, ëô391, 2ô3115-2, ëô3123-2, 2ô657-2, 2ô658-2, 2ô682-2, 2ô691-2

ëôó393, 2ôó3136-1

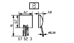
ëô3101-2

ëÏÚÁË ÷ÉËÔÏÒ òÏÍÁÎÏ×ÉÞ, îÏ×ÏÓÉÂÉÒÓË, 7-ÉÀÎÑ-2014 Ç.
email: kozak@inp.nsk.su
Rambler's Top100